WXJ圓柱蝸輪蝸桿減速機

一、概述
WXJ-WSJ圓柱蝸桿減速機為單級傳動的阿基米德圓柱蝸桿減速機,結構緊湊。體積小。重量輕,傳動平穩、靈活,無沖擊。無噪音,具有自鎖作用,使用方便。適用于化工、冶金、礦山、紡織、食品、醫藥等行業的各種機械設備上。
二、適用范圍
(1)一蝸桿嚙合處滑動速比大子7.5m/s;(2)蝸桿轉速不超過1500r/min:
(3)T作環境溫度為-40~C~+45~C;(4)可用正反兩向運轉。
三。標記示例

四、WXJ、WSJ減速器主要參數表

WSJ圓柱蝸桿減速器實體模型
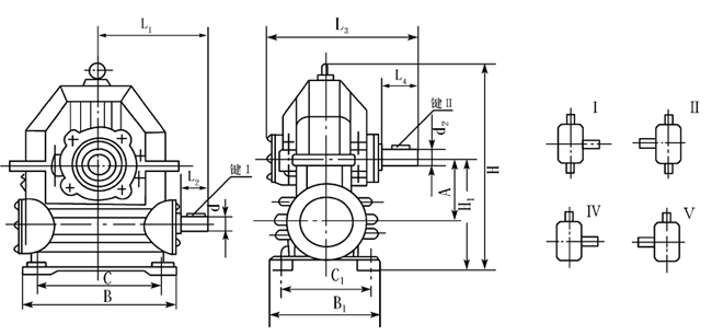
WSJ蝸輪減速機外形尺寸、安裝尺寸及裝配型式

WSJ減速器主要參數表

上一篇: WSJ圓柱蝸輪蝸桿減速機
下一篇: CWS蝸輪蝸桿減速機
